☰
Пн–Пт 8:00–17:00
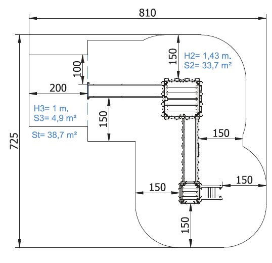
Деревянная крепость с горкой из нержавейки
Артикул: 6139
индивидуальный расчет цены
Описание
Изготавливаем на заказ. Эксклюзивное качество
материалов и их обработки. Немецкие пропитки
и краски. Ручная работа.
материалов и их обработки. Немецкие пропитки
и краски. Ручная работа.
Изготавливаем на заказ. Эксклюзивное качество материалов и их обработки. Немецкие пропитки и краски. Ручная работа. Все деревянные деали изготавдиваются столярами (не плотниками), стальные и из нержавеющей стали - мастерами имеющими личное клеймо.
Посмотреть другие товары в категории Детские игровые площадки
Похожие товары
индивидуальный расчет
Арт: 6158
Вы смотрели



