☰
Пн–Пт 8:00–17:00
Тренажер для равновесия детский 3892
Артикул: 3892
Представляет собой платформы для ходьбы (рассчитаны на детские ступни), расположенные последовательно друг за другом.
Характеристики
Массив дерева сосны, с антибактериальной
пропиткой, влагостойкая ламинированная
фанера с противоскользящими насечками,
стальные опоры.
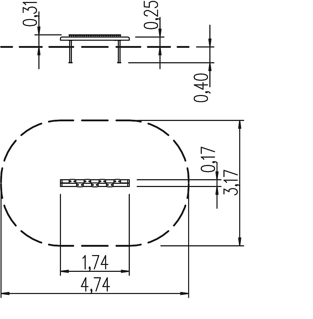
Габариты
ДШВ, м: 1,74 х 0,31 х 0,25 Площадь безопасности
ДШВ, м: 4,7 х 3,17
Монтаж
Бетонирование опорных закладных в грунт
Посмотреть другие товары в категории Детское спортивное оборудование
Похожие товары
Вы смотрели



