☰
Пн–Пт 8:00–17:00
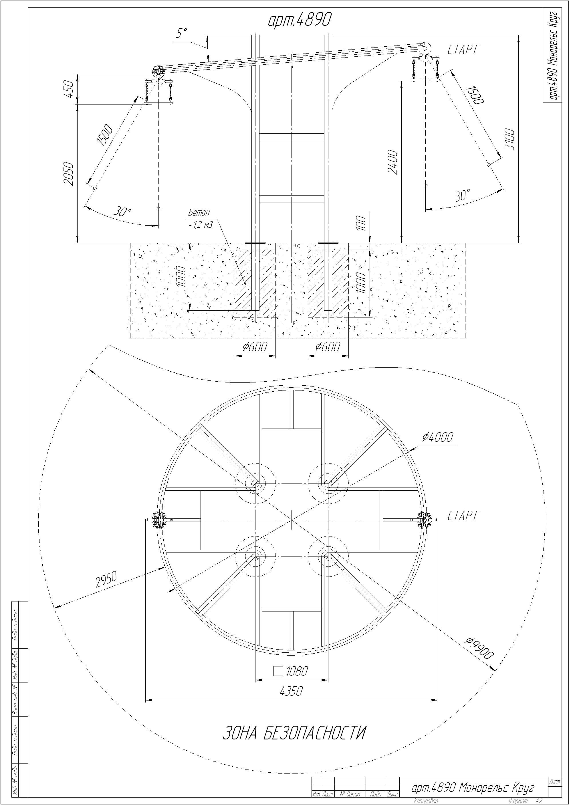
Монорельс Круг
Артикул: 4890
индивидуальный расчет цены
Описание
Монорельс кольцевой. В рельс вмонтирована
каретка для катания с ручками.
Возможны варианты моделей как для ровной,
так и для неровной поверхности. Изготавливается
под заказ.
каретка для катания с ручками.
Возможны варианты моделей как для ровной,
так и для неровной поверхности. Изготавливается
под заказ.
Характеристики
Усиленная сталь с полимерно-порошковым
покрытием. Сварные и болтовые соединения
оцинкованы.
Каркас: проф. труба 100х100мм, 80х80мм, лист 6мм,8мм. труба 76мм.
Направляющий рельс: Труба 60х3, Лист 6мм, 8мм.
Опоры вращения на подшипниках.
Порошковая окраска.
Габариты
Диаметр кольца, м - 4,0
Габариты наземной части, мм 4330х4330х3100
Вес в сборе, кг- 550
Диаметр зоны безопасности, м - 10,0
Монтаж
Сборная конструкция из нескольких крупных
секций. При монтаже следует установить
стальные болтовые соединения между секциями.
Опоры бетонируются в грунт на глубину (зависит
от высоты опоры).
Примерный объём бетона для заливки закладных, м3 - 1,2
Макс. вес пользователя - 120 кг.
Посмотреть другие товары в категории ЭКСКЛЮЗИВ!
Похожие товары
индивидуальный расчет
Арт: 5121
Вы смотрели









